Ticker

6/recent/ticker-posts

Advertisement

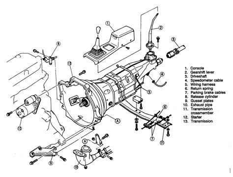
PDF Mazda B2000 Manual Transmission Fluid

Currently you are looking with regard to an Mazda B2000 Manual Transmission Fluid example of which we provide here within some form of document formats many of these as PDF, Doc, Energy Point, and in addition images of which will make it easier for you to create an Mazda B2000 Manual Transmission Fluid yourself. For a clearer look, you are able to open several examples below. All the examples about Mazda B2000 Manual Transmission Fluid about this website, we get from many sources so you can create a better file of your own.

If the search you get here does not complement what you are looking for, please use the research feature that we have got provided here. You are free to download anything at all that we provide right here, it will not cost you the slightest.

DOWNLOAD HERE

Everybody knows that reading Mazda B2000 Manual Transmission Fluid is effective, because we could get a lot of information through the reading materials. Technology has developed, and reading Mazda B2000 Manual Transmission Fluid books might be easier and easier. We could read books on the mobile, tablets and Kindle, etc. Hence, there are lots of books coming into PDF format.

Several websites for downloading free PDF books to acquire all the knowledge as you would like. These days everybody, young and aged, should familiarize themselves with the growing eBook business. Ebooks and eBook viewers provide substantial benefits above traditional reading. Ebooks slice down on the employ of paper, as advocated by environmental enthusiasts. There are no fixed timings for study. There will be no question of waiting-time for new editions. There is no transportation to be able to the eBook shop. The particular books in an eBook store can be downloaded immediately, sometimes for free, occasionally to get a fee.

Not simply that, the online edition of books are generally cheap, because publication homes save on their print and paper machinery, the benefits of which are passed on to customers. Further, the reach of the e book shop is immense, enabling an individual living in Sydney to source out to be able to a publication house within Chicago. The newest trend in the online e book world is what are called eBook libraries, or e book packages. An eBook package is something out of the ordinary. It consists of a huge number of ebooks included together that are not necessarily easily obtainable at one individual place. So instead associated with hunting down and buying, say 100 literary classics, you can aquire an eBook package which contains all these kinds of ebooks bundled together. These eBook libraries typically offer a substantial savings, and are usually offered within a number of formats to fit your brand of eBook reader. Large companies, such since Amazon or Barnes as well as Noble, tend to not necessarily carry these eBook libraries. If you want to be able to purchase one of these libraries, you will have to be able to find independent eBook shops. These independent eBook shops typically package the e book libraries by genre, and have a lot of genres.